金伯利岩(kimberlite)

一般认为是一种碱性或偏碱性的超基性岩。是具斑状结构和(或)角砾状构造的云母橄榄岩。1887年发现于南非的金伯利(Kimberley),故名。是产金刚石的最主要火成岩之一。
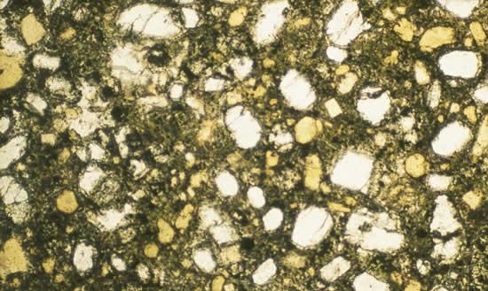
矿物组成包括:①原生矿物。主要是橄榄石,其次是金云母和透辉石,副矿物有铬铁矿、钛铁矿、钙钛矿、磷灰石等。②岩浆末期蚀变矿物。主要是蛇纹石和方解石或白云石。③包体矿物。常含有上地幔超镁铁和镁铁质岩石包体及其破碎后的矿物捕虏体,以及岩浆中晶出的巨晶,如镁铝榴石,含硬玉分子的单斜辉石,某些大颗粒、半自形的橄榄石、斜方辉石、单斜辉石以及页理化、扭曲和具膝折的金云母大晶体等。
常具斑状结构、细粒结构和火山碎屑结构。块状构造和角砾状构造。呈斑状结构的,斑晶主要为橄榄石和金云母,橄榄石呈浑圆状并普遍受到强烈的蛇纹石化和碳酸盐化蚀变;基质呈显微斑状结构,由橄榄石、金云母、磁铁矿、铬铁矿、钛铁矿、钙钛矿、磷灰石等组成。呈角砾状构造的,角砾成分复杂,有来自上地幔的碎块,也有来自浅部围岩的碎块。大量角砾的存在反映了金伯利岩岩浆具有爆发作用的特征。
金伯利岩岩床、金伯利岩火山口、火山口湖以及火山沉积是少见的。金伯利岩形成的地质时代,自太古宙延续至新生代,就世界范围看,主要形成于中生代晚期,但在一个相当规模的金伯利岩带或区域往往是多时代的。
普遍认为,形成金伯利岩并富含金刚石的最有利的大地构造环境,是具有古老大陆克拉通地壳和其后长期有稳定盖层的地域。